|沙雕动画,搞笑:二哥误喝拉肚子汽水,结果拉的惨不忍睹!
很多朋友都问过我,有没有造价15万左右的别墅呢,答案是当然有,而且各种户型的都有,喜欢几层就可以建几层。今天小编推荐的这三款农村15万左右自建房设计图,造价经济实惠,施工简单,拿到图纸就可以建,建好的房子绝对的好看大气,让村里人都羡慕,不知道大家更喜欢几层的户型呢,要建房的朋友们可以参考。
户型一:占地140平方米一层平房设计图,四间卧室设计
文章插图
文章插图
文章插图
文章插图
【 |沙雕动画,搞笑:二哥误喝拉肚子汽水,结果拉的惨不忍睹!】一层平房设计图
图纸介绍:本户型占地140平方米左右,造价15万,户型实用,外观配色适合农村自建,漂亮、精致,两厅两卫四室绝对够用。
占地面积:13.5m*9.9m,建筑面积140平方米左右;
建筑层高:一层;
建筑高度:4.54米(含屋顶);
设计功能:
一层设计:客厅、餐厅、厨房、卫生间、卧室x4(其中1个卧室带卫生间);
户型二:农村两间两层楼房设计图,造价15万左右
文章插图
文章插图
文章插图
文章插图
两层楼房设计图
图纸介绍:本户型占地96平方米,造价15万左右,独立的厨房设计,干净卫生,二层屋顶设计为一个大的露台,外观非常的时尚,造价经济实惠。
占地面积:12.2m*10.1m,96平方米左右;
建筑层高:二层;
建筑高度:9.9米(含屋顶);
设计功能:
一层户型:客厅、餐厅、厨房、卫生间、卧室×2;
二层户型:客厅、卧室x3、卫生间、阳台x2;
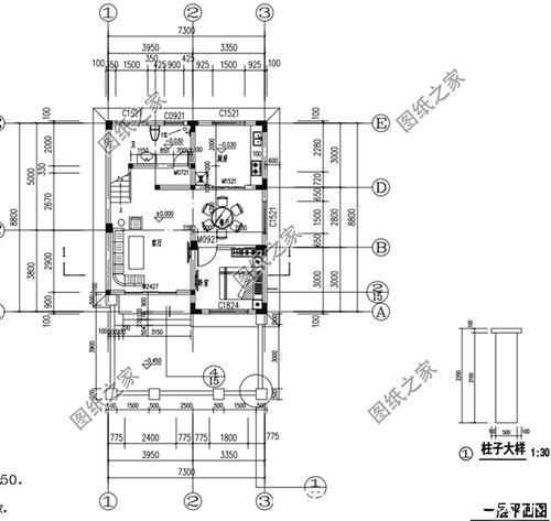
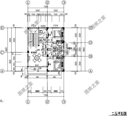
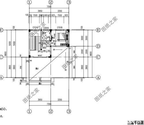
户型三:农村三层自建别墅设计图,主体造价15万左右
文章插图
文章插图
文章插图
文章插图
别墅设计图
图纸介绍:本户型占地60多平米,主体造价15万左右,布局合理,别墅采用的是平屋顶的设计,节约造价成本,也符合对层高有要求的业主需求。
占地面积:7.3m*8.8m,一层占地63平方米左右;
建筑层高:三层;
建筑高度:11.1米(含屋顶);
设计功能:
一 层:客厅、厨房、餐厅、卧室、卫生间;
二 层:娱乐区、卧室(带卫生间)×2、卫生间、阳台;
三 层:卧室(带卫生间)、大露台;
这三套别墅各有自己的优点,就看大家喜欢什么样款式的啦。
- 直播跳舞!全红婵视频教哥哥跳舞,胖大哥扭腰笑不停:兄妹都搞笑
- 搞笑女!陈若琳给全红婵戴“紧箍咒”,红姐戴发带紧闭双眼一脸陶醉
- 谐音梗搞笑段子之二
- “20张搞笑图片,大晚上的笑得肚子疼”(1)
- 20张搞笑图片,笑的我一晚上没睡着
- 社牛天花板!全红婵向中国粉丝敬礼谢场,握手握不过来:我也是搞笑女!
- 谐音梗搞笑段子
- 妹子|搞笑GIF:这傲娇的小眼神,让人不敢靠近
- 宝身|搞笑GIF:从喵宝与汪宝身上就能看得出“猫手贱,狗嘴贱”
- 一会|GIF搞笑趣图:我是让你这样玩的吗?我只是累了!休息一会!
